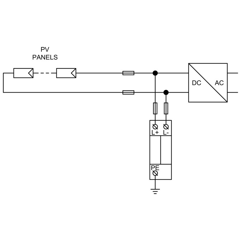
Protezione DC appositamente costruita per array fotovoltaico.
Questi arretrati di aumento di tipo 2 proteggono le stringhe fotovoltaiche, le barre di bus e gli ingressi inverter da sovratensioni transitorie causate da eventi di fulmini o operazioni di commutazione. Garantiscono il legame equipotenziale delle barre di bus PV sia positive che negative e aiutano a mantenere il tempo di attività del sistema attraverso tutti i livelli di protezione dei fulmini (LPL I - IV).
Connessione u o y: studiare ciò di cui il tuo design ha bisogno.
Connessione U: topologia di protezione convenzionale per circuiti DC fotovoltaici.
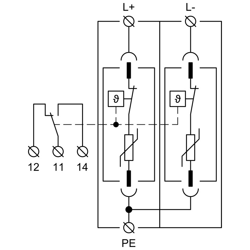
Y Connection: i varisti disposti a PE in modo che i conduttori di lavoro rimangano resistenti alla Terra e non vi è corrente residua (perdita) attraverso il conduttore PE, migliorando il comportamento EMC e minimizzando i percorsi di corrente di seccatura.
Sicurezza integrata: nessun fusibile di backup richiesto.
Particolari settori varistor tra L+, L e PE sono ciascuno dotato di disconnettori termici interni. Quando un varistore raggiunge la fine della vita (si surriscalda), i viaggi di disconnettore indicano visibilmente un guasto e interrompe la corrente DC. Grazie alla loro costruzione speciale, questi arrestatori possono essere installati senza un fusibile di backup separato (soggetto a coordinamento del sistema).
Distribuzione flessibile con o senza LPS esterno.
Installare sul lato CC dei sistemi fotovoltaici senza un sistema di protezione dei fulmini esterni (LPS) o con un LPS quando viene mantenuta la distanza di separazione richiesta. Ciò supporta l'integrazione sicura in nuove build e retrofit.
Opzioni di servizio e monitoraggio.
M Indicazione: versione con un modulo di protezione rimovibile (plug-in) per una sostituzione rapida.
S Indicazione: versione con contatto di monitoraggio remoto per la segnalazione di stato ai relè SCADA/PLC/allarme.
Applicazioni tipiche
Stringhe foto fotovoltaiche, box combiner/re-cembiner e inverter input DC
Installazioni fotovoltaiche su scala pubblica, commerciale e industriale e sul tetto
Siti con o senza LP esterni in cui si osserva la distanza di separazione "s"
Caratteristiche chiave a colpo d'occhio
TIPO 2 SULGRE ARRESTER PER SISTEMI DC PV (connessione U o Y)
Y Vantaggio della connessione: conduttori di lavoro resistenti alla Terra e perdite zero PE
Disconnettori termici interni sui percorsi varistor (L+, L-, PE)
Interruzione della corrente CC in caso di guasto; Nessun fusibile di backup richiesto
Adatto a tutti i livelli di LPL; Supporta il legame equipotenziale
M = modulo rimovibile; S = contatto di monitoraggio remoto

